
VES-4000
VES-4000 Modal Analysis / モード解析オプション
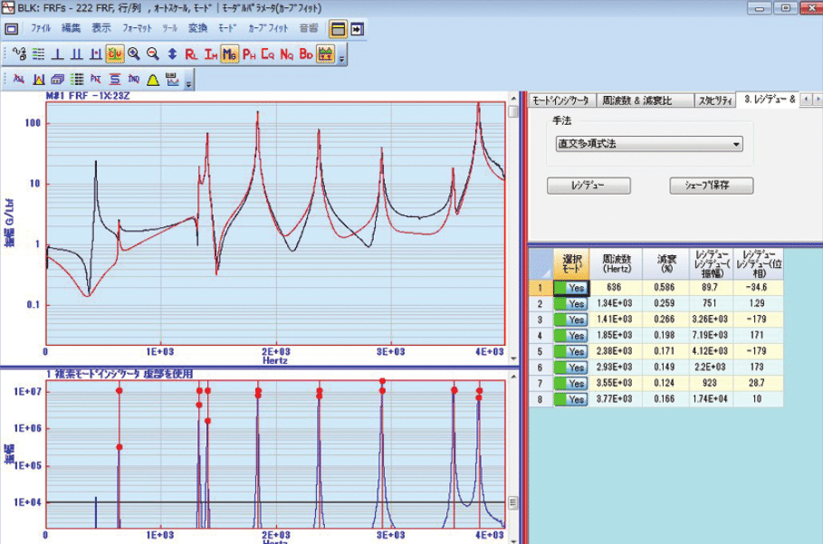
シングルリファレンス(一点参照)の加振試験で得られた伝達関数を用いてモーダルパラメータを求める機能です。
構造物の固有振動モードのモーダルパラメータ(周波数、減衰比およびモードシェープ)を実験データを用いて同定することができます。
カタログをご覧いただけます
MEscope総合カタログや、ビデオプロセシングオプションのカタログをご覧いただくことが出来ます。カタログをご覧になりたい方は、下記フォームより入力いただきますと、ダウンロードサイトのURLがメールで届きます。


お問い合わせ
製品のご質問など、
お気軽にお問い合わせください



